» Featured Products » CNC Spindles & VFDs » CNC ATC Spindles » ISO20 24000 RPM ATC Spindle 1.5KW 220V Milling Water Cooling Spindle Motor
ISO20 24000 RPM ATC Spindle 1.5KW 220V Milling Water Cooling Spindle Motor
Product in stock
Price
$1,995.00
ISO20 24000 RPM ATC Spindle 1.5KW 220V Milling Water Cooling Spindle Motor
Product Description
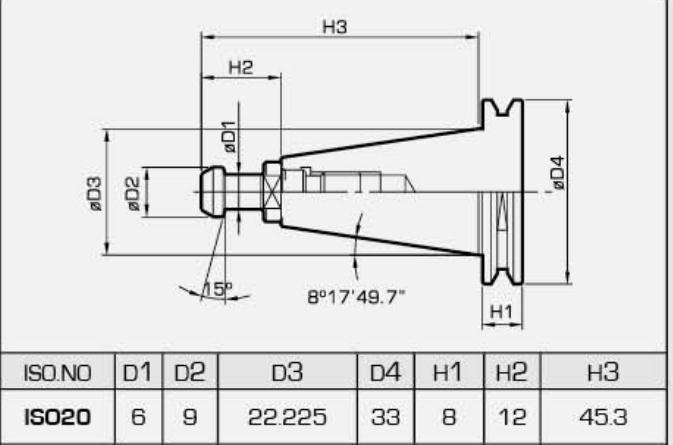
KL-1500ATC Automatic Tool Changer:
Tool Holder: ISO 20
Pull Stud: 15 Degree Angle
Diameter: 80mm
Length: 353 mm
Speed: 24000 rpm
Cooled: Water Cooled
Pneumatic controlled
Temperature control:22-25℃
Frequency: 800Hz
Voltage: 220V
Weight: 8 kg
Drawing Download:
KL-1500W ATC Spindle Drawing (414 downloads)
Air Connection:
1.5kw spindle ATC Wiring
- U- Red
- V- Yellow
- W- Brown
2x brown wires - Temp protector
Loading Tool Sensor
Brown- +24VDC
Blue- 0VDC
Black- +Signal
Unloading Tool Sensor
Brown- +24VDC
Blue- 0VDC
Black- +Signal
Spring Pressure to hold tools: 80Kg
Recommend VFD for this spindle:
KL-VFD05A Mini-type Integrated Universal Inverter (VFD), 2.2KW, 1000HZ
Additional Details
Updating...



