» Featured Products » CNC Spindles & VFDs » KL-2200ATC Automatic Tool Changer, 220VAC, 2200W, Max 24000 rpm
KL-2200ATC Automatic Tool Changer, 220VAC, 2200W, Max 24000 rpm
Product Description
KL-2200ATC Automatic Tool Changer:
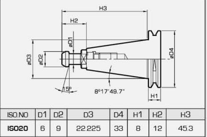
Tool Holder: ISO 20
Pull Stud: 15 Degree Angle
Diameter: 80mm
Length: 353 mm
Speed: 24000 rpm
Cooled: Water Cooled
Pneumatic controlled
Temperature control:22-25℃
Frequency: 800Hz
Voltage: 220V
Weight: 9 kg
Specification:
KL-2200W ATC Spindle Drawing (545 downloads)
Air Supply:
ATCAirDescription (1294 downloads)
2.2kw spindle ATC Wiring
Spindle Power
U- Red
V- Yellow
W- Brown
2x brown wires - Temp protector
Loading Tool Sensor
Brown- +24VDC
Blue- 0VDC
Black- +Signal
Unloading Tool Sensor
Brown- +24VDC
Blue- 0VDC
Black- +Signal
Spring Pressure to hold tools: 80Kg
Recommend VFD for this spindle:
KL-VFD05A Mini-type Integrated Universal Inverter (VFD), 2.2KW, 1000HZ
Additional Details
Updating...



