» Featured Products » Ballscrews & Rail » 20 mm Aluminium Shaft Support (Pre-installed Bearing LME20UU 20mm)
20 mm Aluminium Shaft Support (Pre-installed Bearing LME20UU 20mm)
Product in stock
Aluminum Pillow Block Slide unit with pre-installed 20mm ID Bearing To be used with 20 mm Shafts
Price
$18.99
20 mm Aluminium Shaft Support (Pre-installed Bearing LME20UU 20mm)
Product Description
20 mm Aluminium Shaft Support (Pre-installed Bearing LME20UU 20mm)
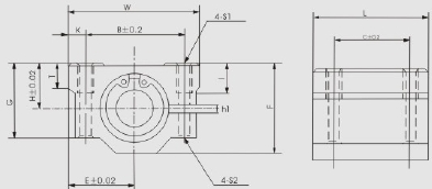
The dimension and information of it is as follows:
Material of case unit: Casting aluminium;
Installed linear bearing: LM20UU;
Weight :0.255kg;
Main Dimensions:
H: 21 E: 27 W: 54 L: 50 F: 41 G:35 T:11
Mounting Dimension:
B:40 C:40 K:7 S1:M6 S2:5.2 I:12
Additional Details
Updating...


