» Featured Products » Hybrid Stepper Motors » NEMA 23 Stepper Motor » Alloy Steel Mounting Bracket Black For 57mm NEMA23 Stepper Motor
Alloy Steel Mounting Bracket Black For 57mm NEMA23 Stepper Motor
Product Description
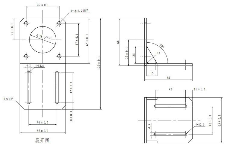
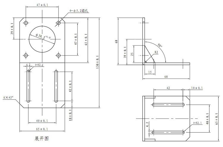
Material: Alloy Steel
Size: 65 x 68 x 65mm (L.W.H)
Color: Black
See attached drawing:
Drawing:
NEMA23mountingbracket (949 downloads)

Additional Details
Updating...
